聯系人:王經理
銷售電話:13371051536
銷售QQ:1401548526
公司地址:山東省濰坊市高新區光電路155號光電產業加速器(一期)
13371051536

PRODUCT CENTER
聯系人:王經理
銷售電話:13371051536
銷售QQ:1401548526
公司地址:山東省濰坊市高新區光電路155號光電產業加速器(一期)

【產品簡介】稱重式水面蒸發器又稱液面蒸發量測量儀,稱重式水面蒸發器是一款測定由水面向大氣中蒸發水分比率的裝置,可以觀測水面蒸發在不同時間上變化規律。
一、稱重式水面蒸發器工作原理
稱重式水面蒸發器又稱液面蒸發量測量儀,稱重式水面蒸發器是一款測定由水面向大氣中蒸發水分比率的裝置,可以觀測水面蒸發在不同時間上變化規律。應用壓力式測量原理,通過測量蒸發皿內液體重量變化,再計算出頁面高度,從而測得蒸發量。能夠適應各類環境的水面蒸發測量,不受液體結冰的影響,克服了使用超聲波原理測量液面高度時出現的結冰時測量不準、無水時易損壞傳感器、測量精度低等弊端。
二、稱重式水面蒸發器適用范圍
水面蒸發傳感器是用來感知水面蒸發量變化的傳感器,可以觀測水面蒸發在不同時間段的變化規律,適用于氣象觀測、植物栽培、種子培養、農林業、地質勘測、科學研究等領域。
既可與自動加水裝置、數據采集發送裝置等配套使用,實現蒸發過程自動監控,也可與數據采集存儲裝置(記錄儀)組合使用,實現蒸發數據的自動存儲,還可與雨量傳感器、數據采集發送裝置等搭配使用,實現蒸發、降雨過程的自動觀測和遠程傳輸。
三、稱重式水面蒸發器功能特點
1.可以防止太陽直曬引起的蒸發誤差,擁有比同行業產品更高的測量精度值,響應速度快;
2.整機選用304不銹鋼材質制成,耐腐蝕,不起銹,外觀精美,保證傳感器使用壽命;
3.壓力式測量原理,使用高精度的稱重原理測量蒸發皿內液體的重量變化,計算出液面高度,從而測量得到蒸發量,測量更準確,數據更科學;
4.雙層防護的設計結構,該產品采用雙層不銹鋼設計,可以隔離外界干擾,使測量結果更加準確;
5.停電后再通電,輸出數據依然正確;
四、稱重式水面蒸發器工作及存儲條件
工作溫度:-40~85°C
工作濕度:0~100%RH
儲存濕度:<80%(無凝結)
五、稱重式水面蒸發器技術參數
供電電壓:12V DC
測量范圍:0~190mm
測量精度:±1%
信號輸出:485 Modbus-RTU
響應時間:200ms
內桶口徑:φ200mm
防護等級:IP66
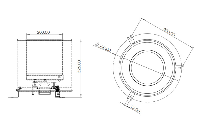
六、稱重式水面蒸發器產品尺寸圖

七、稱重式水面蒸發器安裝指導
1.安裝位置選擇須知
設備安裝地點應高出地面且須裝在水泥底座上,防止雨水淹沒底盤及倒灌進設備內部從而引起設備短路或線路故障。
2.安裝步驟
將產品拆箱,把外殼、內膽、底座放置于水平地面準備安裝,安裝步驟如下:
A去掉底部頂絲
B將內膽放置于底座托盤上
C將外殼罩在底座底盤上
D轉動外殼使外殼底部螺栓孔與底座托盤螺栓孔對齊后插入螺栓擰緊
E將組裝好的設備固定于預先制作好的水泥底座上
溫室是現代園藝生產所必需的基本設備,用它可有效地控制某些環境因素,如溫度、光照、濕度、二氧化碳濃度等,生產優質的花卉產品。
土壤墑情監測系統是以云服務器平臺為平臺,以智能傳感網絡技術為基礎,利用物聯網智能網關,智能環境監測裝置,智能監測傳感器,實現了土壤溫濕度,鹽分,電導率,ph值等作物生長環境參數實時采集,無線傳輸與監控。用戶可在手機和電腦上,對現場的監測數據和歷史數據進行隨時的遠程查看,并在有關參數超標的情況下發送短信報警信息以提示用戶采取適當的處理措施,也可對現場灌溉,水肥一體機及其它電氣設備進行遠程手動或者自動控制。
降雨改善了空氣質量,提高了土壤墑情,對正在生長期的茶葉、果樹都頗為有利。
氣象監測系統由氣象站、氣象站支架、太陽能電池板和蓄電池、采集器和傳輸模塊、后臺計算機組成。 氣象臺:主要功能是監測氣象要素信息,通過安裝雨錐、氣象百葉箱、風速風向傳